На современных мотоциклах применяются системы электрооборудования как постоянного, так и переменного тока. Каждая из них обладает своими достоинствами и недостатками. Лишь исходя из конкретных условий эксплуатации мотоцикла, можно отдать предпочтение той или другой. Однако машины по вполне понятным причинам производственного характера выпускаются только с одной какой-либо системой. Многие владельцы мотоциклов, снабженных, например, генерато ром переменного тока, хотят улучшить работу приборов электрооборудования. Отвечая на многочисленные письма читателей, мы публикуем статью инженера Д. А. Кочетова, рассказывающую о наиболее доступных вариантах усовершенствований.
Мы благодарим наших читателей Генералова из Москвы, Л. Павловского из Новосибирска, всех, кто прислал в редакцию материалы, облегчившие подготовку этой статьи.
"Классические" системы электрооборудования мотоциклов — с генератором постоянного тока, реле-регулятором и аккумулятором теперь постепенно вытесняются приборами переменного тока. Следует сразу оговориться, что на стороне «классической» системы превосходство по электрическим показателям. Она обеспечивает большее постоянство напряжения на потребителях тока при изменении числа оборотов двигателя и нагрузки генератора, позволяет включать дополнительные потребители. Кстати, внедряемые сейчас на мотоциклах электронные устройства (схемы зажигания, указатели поворотов, устройства связи) как раз требуют питания постоянным и достаточно стабильным напряжением.
Широкое же распространение систем переменного тока объясняется большей простотой и долговечностью элементов, а следовательно, дешевизной и нетребовательностью в обслуживании. Зажигание и освещение обычно функционируют независимо, и «при большей части повреждений в цепях освещения двигатель может продолжать работать.
Серьезным недостатком мотоциклетных систем переменного тока (без батареи) является значительное колебание напряжения в сети при изменении числа оборотов двигателя и нагрузки генератора. Это вызывает и колебание яркости света фары, утомляющее водителя, особенно при езде по пересеченной местности.
Напряжение ненагруженного генератора меняется от 4—5 в при работе двигателя на холостом ходу до 20— 24 в при максимальных оборотах двигателя (почти для всех типов генераторов переменного тока). При включении нагрузки (большой лампы фары) напряжение снижается примерно вдвое и составляет 2,5—3. в при минимальных и 8—10 в при максимальных оборотах двигателя. С изменением оборотов двигателя меняется частота переменного тока (в пределах 30— 250 гц для генераторов «Вятки» и «Паннонии* и 50—400 гц для генераторов Г-401, Г-411 и им подобных). Это явление (препятствует конструированию простых схем стабилизаторов напряжения генераторов, однако может быть использовано для стабилизации тока маломощных потребителей. Для этого последовательно с потребителем включается дроссель, индуктивное сопротивление которого растет с повышением частоты, благодаря чему ток, проходящий через дроссель, мало -зависит от числа оборотов генератора.
Если перегорает лампа фары или нарушаются контакты в переключателе дальнего—ближнего света, а также в патроне лампы, то напряжение на остальных потребителях сильно возрастает, что может привести к их порче. Например, у мотоциклов Ковровского и Минского заводов довольно часто по этой причине перегорает лампа заднего фонаря.
Машину с генератором переменного тока (кроме Г-411) трудно оборудовать стоп-сигналом и добиться приятного тембра звукового сигнала.
Широко распространенные тепловые реле указателей поворота совсем не работают на переменном токе и плохо — на выпрямленном, а для питания электронных реле нужны дополнительные выпрямители и стабилизаторы.
Некоторые недостатки простейших систем электрооборудования переменного тока можно устранить, установив на мотоцикл аккумуляторную батарею и соответственно несколько изменив схему электропроводки. Существуют три основных способа совместной работы аккумулятора и мотоциклетного генератора переменного тока.
Первый способ. Система зажигания и большая лампа фары питаются непосредственно от генератора, а звуковой сигнал и лампы стоп-сигнала и стояночного света — от батареи, подзаряжаемой через маломощный выпрямитель.
Подобная система применена на мотоцикле М-1М с генератором переменного тока Г-38, на мотороллере В-150М и мотоцикле «Паннония». Работа цепей сигнализации улучшается, облегчается режим работы ламп стояночного света, однако яркость света фары пд-прежнему зависит от числа оборотов двигателя.
Второй способ. Все потребители, кроме цепей зажигания, питаются от аккумулятора, причем последний подключен к катушкам освещения генератора через мощный двухполупериодный выпрямитель, рассчитанный на полный ток нагрузки. В «дневном» режиме (при выключенном освещении) в цепь заряда батареи для ограничения ее зарядного тока вводится дроссель.
Эта схема обладает всеми достоинствами предыдущей, и, кроме того, при ней яркость света фары почти не зависит от режима работы двигателя. Однако во время длительной поездки ночью по плохим дорогам возможен глубокий разряд аккумуляторной батареи, так как при малых оборотах двигателя она не заряжается.
Третий способ. Все потребители, включая цепь зажигания, питаются от аккумуляторной батареи, которая подключена через выпрямитель к катушкам зажигания и освещения, соединенным параллельно (предварительно выравнивается число витков этих катушек). Такая схема дает некоторое увеличение мощности искры при пуске двигателя. Являясь, вообще говоря, подобием автомобильных систем электрооборудования с генератором переменного тока, она не совсем целесообразна на мотоцикле. Так. при любом повреждении батареи или выпрямительного мостика пустить двигатель практически невозможно. Поэтому подробно третий способ мы рассматривать не будем, а читатели, заинтересовавшиеся им, могут обратиться к статье В. Иванова «Электронное оборудование мотоциклов и мотороллеров с генераторами переменного тока» (журнал «Радио», 1968, № 2).
Первый и второй способы совместной работы генератора переменного тока и аккумулятора на мотоцикле вполне правомерны и имеют каждый свои области применения.
Соединение по первому способу оправдано, когда редко приходится включать большой свет. Аккумулятор хорошо сохраняется и почти не требует ухода. Так делают некоторые мотолюбители.
Однако целесообразнее переделывать схему сразу по второму способу, поскольку он, как уже отмечалось, обеспечивает лучшую работу потребителей тока, а сама переделка не сложнее, чем по первой схеме.
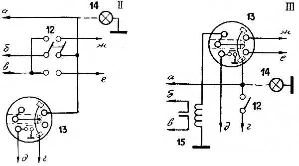
Схема такого рода для «Ковровца» была описана в журнале «За рулем» (1966, № 9). Следует отметить, что применить ее можно для любого мотоцикла или мотороллера с генератором переменного тока (различия в конструкции генераторов не имеют существенного значения). На рисунке (вариант I) приведена в качестве примера схема простейшей переделки системы электрооборудования мотоцикла «Восход» с генератором Г-411. Для ее осуществления необходимо приобрести, кроме аккумулятора, четыре выпрямительных, желательно германиевых диода типа Д-305 (или других с максимальным прямым током не менее 5а и обратным напряжением 30—50 в), шестивольто-вый сигнал постоянного тока и двухполюсный тумблер. Токоограничивающий дроссель — самодельный, намотанный на типовом Ш-образном сердечнике с сечением среднего стержня 1,5—2 см2. Обмотка его содержит 100—120 витков провода ПЭВ диаметром 0,9—1,1 мм. Сердечник дросселя собирают в стык. Регулируя величину воздушного зазора в сердечнике, можно в некоторых пределах изменять зарядный ток батареи.
Цепи зажигания, стоп-сигнала и переключателя света фары сохраняются прежними. Изменения же в схеме, вызванные введением новых элементов, показаны на рисунке. Обратите внимание на то, что вывод обмотки освещения (диаметр 0,94 мм), ранее связанный с неизолированной клеммой генератора, при переделке отсоединяется от нее и подключается к клемме «О» выпрямителя отдельным, проводом. Выводы же обмоток зажигания (диаметр 0,64 мм) и стоп-сигнала (диаметр 0,51 мм) остаются соединенными с «массой». На «Вятке» и «Паннонии» катушки освещения следует оставить подключенными параллельно, соединив с клеммой «О» выпрямителя выводы обмоток, ранее связанных с «массой». Если вы не удовлетворены работой существующего стоп-сигнала, то провод, идущий от его выключателя на отдельную обмотку генератора, следует от нее отключить и подсоединить к клемме «+» аккумуляторной батареи.
Тумблер 12, включающий освещение и одновременно «закорачивающий» дроссель, лучше всего расположить на руле или на фаре, а аккумулятор — в одном из инструментальных ящиков. Диоды выпрямительного моста 8 можно укрепить на корпусе фары или в инструментальном ящике, причем оба вывода диода должны быть надежно изолированы от корпуса (например, слюдяными прокладками и изоляционными втулочками). Устанавливать диоды на изоляционную планку не следует — ухудшится их охлаждение.
Мы рассмотрели простейшую схему переделки. Легкодоступная и дешевая, она, однако, страдает существенными недостатками. При езде днем с включенным тумблером 12 и переключателем 13, установленным в среднее положение, батарея перезаряжается и «закипает». Вдобавок в этой схеме нет маломощной лампы переднего света, весьма желательной при регулярной езде ночью по освещенным улицам.
От этих «недостатков можно избавиться, несколько изменив схему коммутации (обведена на рисунке пунктиром) по вариантам II и III. В варианте II для переключения дальнего и ближнего света и «закорачивания» дросселя служит двухполюсный тумблер 12 со средним фиксированным положением. Для этой цели удобно применить два тумблера от мотоколяски СЗА, механически объединив их рычажки. Переключатель П-200 теперь выполняет лишь роль выключателя освещения. При такой схеме целесообразно ввести дополнительную лампочку переднего стояночного света 14 мощностью 1—2 вт, установив ее в фонаре под фарой.
Еще более удобную схему (вариант III) можно использовать при наличии 6-вольтового реле постоянного тока с одним замыкающим контактом (предложение читателя А. Генералова). Пригодно, например, реле РЭС-9 с паспортом РС452202 или РС454203, а также реле РЭС-6 с перемотанной обмоткой (провод ПЭЛ-0,17 мм для заполнения каркаса) или реле РСМ (обмотка из провода ПЭЛ—0,14 мм).
В этой схеме переключатель 13 (типа П-200) в крайних положениях обслуживает нити дальнего или ближнего света лампы фары (одновременно с их включением закорачивается дроссель), а в среднем положении подает питание на переднюю лампу стояночного света. Тумблер 12 является общим выключателем освещения.
Эта схема пригодна практически для любого мотоцикла и мотороллера с генератором переменного тока. Следует лишь иметь в виду, что при использо-
вании ее на. мотороллере «Вятка» или мотоцикле «Паннония» надо увеличить число витков дросселя примерно в полтора раза или сечение среднего стержня сердечника в 1,8—2 раза, так как частота переменного тока генераторов этих машин ниже, чем у генератора «Ковровца» (250 гц против 400 гцпри максимальных оборотах двигателя).
Налаживание схемы сводится к установке зарядного тока батареи равным 0,6—0,8 а (при работе двигателя на оборотах порядка 3000 в минуту и отключенном освещении). Для этого регулируют воздушный зазор в сердечнике дросселя. Аккумуляторную батарею надо предварительно полностью зарядить. Увеличение зазора повышает зарядный ток. Индуктивность дросселя зависит от марки железа, лз которого он сделан, поэтому иногда для получения нормального зарядного тока понадобится изменить число витков обмотки дросселя. С уменьшением количества витков ток возрастает. Увеличивать их число приходится, если при отсутствии воздушного зазора в сердечнике ток слишком (велик, а уменьшать — если нужная величина зарядного тока получается .при воздушном зазоре более 0,5 мм. Затем следует проверить зарядный ток батареи с включенной фарой и «закороченным» дросселем. При 3000— 4000 об/мин (скорость мотоцикла около 60 км/час) он должен быть не менее 0,3 а. Ток может оказаться слишком мал из-за кремниевых диодов, которые в этом случае следует заменить германиевыми типа Д-305.


Принципиальная схема электрооборудования и варианты соединения цепей (I, II, III); 1 — лампа стояночного света; 2 — лампа стоп-сигнала; 3 — катушка зажигания; 4 — замок зажигания; 5 — свеча зажигания; 6 — генератор Г-411; 7 — дроссель; 8 — выпрямительный мост; 9 — аккумуляторная батарея; 10 — звуковой сигнал постоянного тока; 11 — лампа фары; 12 — выключатель освещения; 13 — переключатель света; 14 — дополнительная лампочка переднего стояночного света; 15 — реле
Д. КОЧЕТОВ,
инженер
1970N08P26-27
Профилактические советы От потока машин, идущих по шоссе, внезапно отделяется мотоцикл. Он съезжает на обочину и останавливается. Водитель соскакивает на землю и склоняется над своим закапризничавшим помощником. Теперь ему уже не успеть на работу. Вчера он тоже опоздал. У мотоцикла засорилась подача топлива, и водитель, впопыхах продувая бензопровод, вдоволь хлебнул бензина. А сегодня вот лопнул трос сцепления. Мотоциклист на ветру торопливо загибает колющие пальцы проволочки троса. Мотоцикл на обочине — это чрезвычайное происшествие. Водитель, попавший в такое незавидное положение, — примерно то же, что двоечник в школе. Некоторые такие горе-мотоциклисты, подобно двоечникам, ищущим спасения в шпаргалках, стали даже своеобразными специалистами. Они разрабатывают и совершенствуют способы ремонта мотоцикла в пути. Конечно, неплохо уметь быстро найти и устранить неисправности у неожиданно вставшей посреди дороги машины. Но заниматься этим приходится ведь «не от ...
Читать далее >>Оседлав железного коня Во многих странах в последние годы отмечен рост дорожно-транспортных происшествий, участниками и жертвами которых становятся мотоциклисты. Они значительно чаще, чем автомобилисты, попадают в аварии, которые и заканчиваются для них, как правило, гораздо серьезнее. Известно, чтобы обезопасить себя от неприятностей, надо прежде всего избегать критических ситуаций. Но именно мотоциклисты меньше всего думают об этом. Статистика подсказывает, что они особенно грешат превышением установленных лимитов скоростей, несоблюдением безопасной дистанции, интервала, а также рядности движения, легкомысленными обгонами и пренебрежением к порядку проезда перекрестков. Серьезным «фактором риска», как свидетельствуют данные статистики, является и возраст мотоциклистов. Оказывается, водители мопедов 15 —18 лет попадают в аварии в пять раз чаще, чем из других возрастных групп. Притом одной из главных причин неприятностей оказывается слабое знание правил движен...
Читать далее >>ТИЗ-АМ600, ИЖ-1, ИЖ-7, ИЖ-8, ИЖ-9, ИЖ-12, М-72, Л-300, ПМЗ-А750, ТИЗ-7 Хороший повод заглянуть в наше мотоциклетное прошлое дают две юбилейные даты, приходящиеся на август: 90-летие первого всероссийского рекорда скорости на мотоцикле и 60-летие мотоциклов ижевской марки. Первыми мотоциклами, появившимися в нашей стране, стали немецкие «Гильденбрандт и Вольфмюллер» и французские трициклы «Клеман». Петербуржец Лундберг в августе 1899 года достиг на трицикле скорости 37,07 км/ч, установив первый всероссийский рекорд скорости. В те годы мотоциклы мы покупали за рубежом. Так, их импорт в 1903 году составил 53, а в 1909 году - 526 машин. И как только появился спрос на одноколейный моторизованный транспорт, так и наши «Россия» и «Дукс» . стали делать отечественные машины. Правда, моторы на них оставались еще иностранными. С тех пор какие только мотоциклы не встречались на дорогах нашей страны: «харлеи» и «индианы&raqu...
Читать далее >>На этих мотоциклах последних выпусков для улучшения проходимости задняя часть глушителя приподнята. Теперь, чтобы вынуть ось при демонтаже заднего колеса, приходится отсоединять глушитель. Этого можно избежать, если вставлять ось с правой стороны, для чего достаточно уменьшить вдвое толщину шайбы, устанавливаемой под гайку крепления оси. * * *В журнале «За рулем» сообщалось, что вместо штатного реле-регулятора ИЖ-РР2С, который приобрести довольно трудно, можно использовать реле от автомобиля «Москвич» последних моделей. Еще удобнее применить реле напряжения РР380 от «жигулей». Для его установки не требуется искать другого места, поскольку оно размещается на месте прежнего (в этом и состоит преимущество).Клеммы «15» и «67» реле соединяются соответственно с выводами « + » и «Ш» генератора («минус» реле выведен на «массу»). В. ПАЛАГИН346421, г. Новочеркасск, Ростовское шо...
Читать далее >>«На мотоцикле ИЖ при трогании с места стали ощущаться рывки в трансмиссии. В чем может быть причина?» — спрашивает Л. Кольцовский из г. Шахты.Подобное явление на ИЖе, как и на других мотоциклах с многодисковым сцеплением, указывает на неисправность этого узла.Обычно рывки при включении сцепления (то есть при трогании с места) возникают из-за того, что его диски соприкасаются не одновременно и не всей площадью. Чаще всего причина в короблении дисков или образовании вмятин в пазах барабанов. Чтобы устранить неисправность, надо разобрать сцепление и заменить поврежденные детали. Если вмятины в пазах неглубоки, можно выровнять их поверхности при помощи напильника, причем так, чтобы зубцы дисков касались всех пазов одновременно. Следует иметь в виду, что в чрезмерно широких пазах зубцы дисков будут стучать об их края при включении и выключении сцепления во время движения мотоцикла. Это приведет к интенсивному износу пазов барабана.В некоторых случаях сцепление включается н...
Читать далее >>