
Многодневные мотоциклетные соревнования — самый универсальный вид мотоспорта. Они требуют от гонщика отличной физической подготовки, мастерства кроссовика и шоссейника, а от машины — надежности, хороших ходовых качеств и выносливости. Недаром международные шестидневные соревнования называют мотоолимпиадой, подчеркивая тем самым их значимость. В 1972 году советская команда заняла на «шестидневке», проходившей в ЧССР, четвертое место. Это, конечно, успех: наши спортсмены, как и победители, не получили штрафных очков в основных соревнованиях (призеров выявили лишь специальные испытания). Но чтобы подняться на пьедестал почета, многое предстоит еще сделать.
В нашей стране проводятся городские, республиканские и всесоюзные многодневки. Число участвующих в них спортсменов сравнительно невелико. Росту массовости, помимо организационных трудностей, препятствует отсутствие технически совершенных мотоциклов. К сожалению. Ижевский и Ковровский заводы, выпускавшие раньше мотоциклы для многодневки, практически прекратили работы над ними, а небольшое количество машин МЦ-250, получаемых из ГДР, конечно, не может решить проблемы. Чтобы участвовать все же в соревнованиях, спортсмены вынуждены строить свои или переделывать кроссовые и другие мотоциклы. Не всегда их работа дает желаемые результаты. Многим участникам приходится покидать трассу из-за несовершенства машин.
Удачное решение нашли тренеры и спортсмены сборной команды Москвы. Они приспосабливают для многодневных соревнований широко распространенный кроссовый мотоцикл CZ-250, который не теряет при этом своих лучших качеств и может вернуться к первоначальному виду после нескольких часов работы.
О переделке рассказывают мастера спорта Ю. ИВАНОВ и Е. СУХОМЛИН.
Переделки, которым подвергается кроссовый мотоцикл ЧЗ-250, касаются трансмиссии, ходовой части, систем питания и электрооборудования.
Мотоциклу для многодневки нужна большая, чем у кроссового, максимальная скорость и несколько иное распределение крутящего момента по передачам. Поэтому приходится изменять передаточное отношение моторной передачи, коробки и главной передачи.



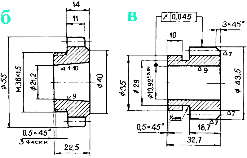
Рис. 1. Шестерни моторной передачи: а — ведомая (56 зубьев); б — ведущая (20 зубьев) и четвертой передачи: в — ведомая (15 зубьев, диаметр делительной окружности 37,5 мм); г — ведущая (22 зуба, диаметр делительной окружности 55 мм). Модуль М-2,5; исходный контур по ГОСТ 13755 — 68, коэффициент его смещения +0,8. Материал — сталь 12ХНЗА, цементировать на глубину 0,4 — 0,6 мм, калить до твердости НКС=54 —56.
Изготовляем шестерни с 56 и 20 зубьями согласно рис. 1. Они заменят шестерни с 53 и 23 зубьями моторной передачи. Наиболее подходящий материал — сталь 12ХНЗА. В коробке для изменения передаточного отношения второй и третьей передач используем две пары стандартных шестерен (17 и 20 зубьев) третьей передачи, а для четвертой делаем новые шестерни (см. рис. 1). Собираем коробку, как показано на рис. 2. Поскольку порядок включения передач становится иным, изготовляем новую селекторную пластину согласно рис. 3. После сборки коробки регулируем шайбами глубину соединения боковых кулачков шестерен и добиваемся четкости включения передач.

Рис. 2. Схема расположения шестерен в коробке передач: 1 — первичный вал; 2 — шестерни первой передачи; 3 — шестерни второй передачи; 4 — шестерни третьей передачи; 5- — шестерни четвертой передачи. Числа на шестернях указывают количество зубьев.
Для повышения скорости при движении по шоссе желательно заменить колесную звездочку главной (задней) передачи, имеющую 60 зубьев, новой — с 53 или 55 зубьями.

Рис. 3. Селекторная пластина механизма переключения передач. Материал — сталь 12ХНЗА, цементировать на глубину 0,4—0,6 мм, калить до твердости НКС=55 —58.
Штатный карбюратор «Йиков-2932» вполне обеспечивает нормальную работу двигателя на разных режимах, если использовать в нем главный жиклер "135—140", а жиклер холостого хода — "60—65".
Хорошие результаты дает и отечественный карбюратор К-194, но для его установки приходится переделывать патрубок. Корпус воздухоочистителя, чтобы повысить прочность, желательно обклеить слоем стеклоткани с эпоксидной смолой (ЭД-5, ЭД-6, К-153).
Глушитель располагают вверху.
Вместо штатного топливного бака применяют другой, большей емкости (около 12 литров), например от мотоцикла ИЖ-11М или МЦ-250.
Стандартная система зажигания с двумя одновременно работающими цепями высокого напряжения вполне оправдала себя в многодневных соревнованиях. Источником, питающим цепи зажигания и освещения, остается генератор переменного тока (6 в, 60 вт). Благодаря увеличению передаточного отношения моторной передачи обеспечивается надежный пуск двигателя от кик-стартера. Фара диаметром не менее 100 мм с лампами ближнего и дальнего света используется от любого мотоцикла или мопеда.
Включатель стоп-сигнала, заимствованный у дорожных мотоциклов, крепится с обратной стороны правого стартового номера и соединяется пружиной с рычагом ножного тормоза.
Питание цепей освещения берем с контакта низкого напряжения одной из катушек зажигания.
Рама, передняя вилка, задняя подвеска кроссового мотоцикла CZ-250 вполне удовлетворяют условиям многодневных соревнований. Чтобы предохранить обод переднего колеса от повреждений, покрышку размером 2,75—21 желательно заменить на 3,00—21.
Для быстрой смены камер зажимы шин снимают, а чтобы предотвратить проворачивание покрышек, наваривают на боковые внутренние поверхности обода выступы диаметром 2—3 мм, высотой 4 мм и шагом 100 мм.
Поскольку демонтаж заднего колеса на мотоциклах ЧЗ довольно трудоемок, лучше заменить его колесом с тормозом от ИЖ-11М, но в этом случае придется внести некоторые изменения.
Дополнительно монтируем на мотоцикл боковой упор, кронштейн для баллона со сжатым воздухом (крепится на верхний болт левого заднего амортизатора), сумку для инструмента (на бак), коробку размерами 200x100x30 мм с запасной цепью (крепится с правой стороны у бокового номера). Чтобы исключить поломку щитка переднего колеса, проклеивают его изнутри слоями стеклоткани с эпоксидной смолой.
Переделанные таким образом мотоциклы хорошо зарекомендовали себя в соревнованиях.
1974N03P20-21
Подготовка мотоцикла, запасные части, дополнительное оборудование Вначале нас было трое. Мы купили старый К-125 и по очереди ездили на нем. Со временем каждый из нас приобрел собственный мотоцикл, и мы начали путешествовать. Сперва по пригородам Москвы, а потом все дальше и дальше — на юг, на запад, на восток. Вскоре мы познакомились с энтузиастами мототуризма из других городов: организовался как бы самодеятельный мототуристский клуб. И вот уже в течение нескольких лет мы вместе проводим отпуск в путешествиях по родной стране. Наши машины «глотали» километры на магистрали Москва — Брест, преодолевали перевалы Карпат, мокли под дождями Прибалтики, карабкались на склоны Крымских и Кавказских гор. Общая протяженность наших маршрутов превысила 80 тыс. километров. Теперь у нас накопился солидный опыт подготовки мотоциклов к дальним пробегам. Нам кажется, что он сможет представить интерес не только для туристов, но и для всех тех, кто пользуется мотоциклом для ...
Читать далее >>Двадцать лет назад с конвейера завода «Саркана Звайгзне» («Красная звезда») сошел первый мопед «Рига—1». За эти годы рижские машины приобрели большую популярность благодаря их надежности, простоте, комфортабельности и универсальности. Завод, учитывая накопленный потребителями опыт, последовательно модернизирует машину, стремясь улучшить ее эксплуатационные качества.Очередным этапом этой работы стало освоение модели «Рига—22», сменившей на конвейере «Ригу—16» («За рулем», 1977, № 2). В ее облике нетрудно увидеть черты предшественниц; а ряд новых элементов — вынесенный на руль спидометр, более плоская фара увеличенного диаметра, бензобак и задний фонарь — придают машине более современный вид. Нарядно! делает ее двухцветная окраска, имеющая шесть различных вариантов.Однако главное отличие «Риги—22» — новый двигатель Ш—62, сменивший известный Ш&mda...
Читать далее >>Уход да уход Так можно сформулировать основное условие, обеспечивающее нормальную работу электрооборудования. О шестивольтовых системах на примере ИЖей сегодня пойдет речь. Начнем по порядку — с генератора. Если он установлен на правой цапфе коленчатого вала, то есть так, как на всех отечественных двухтактных мотоциклах, то ему могут угрожать следующие неприятности. При износе сальника вторичного вала коробки передач или чрезмерной смазке цепи в генераторный отсек попадает масло. Если правая крышка двигателя или крышка лючка к генератору (а порой и то и другое) закреплены неплотно, то к генератору проникают пыль и влага. Кроме того, в процессе работы истираются графитовые щетки и токопроводящая пыль от них, оседая на всех поверхностях, шунтирует ламели коллектора. Наконец, по мере износа правого подшипника коленчатого вала увеличиваетсябиение якоря генератора, что не только искажает установку опережения зажигания, но и грозит разрушением статору. Методы борьбы с каждым из ...
Читать далее >>Советы по доработке мотоцикла Днепр МТ10-36 Так случилось, что моим первым мотоциклом стал «Днепр» МТ10—36. Купил я его с рук с пробегом около 3 тысяч километров. Вероятно, прежний хозяин за столь короткое время успел намаяться с ним более чем достаточно, но тогда я не придал этому значения. Как, впрочем, и тому, что мотоцикл выпущен в конце декабря 1979 года.Изучение мотоцикла и борьба с его пороками, как врожденными, так и приобретенными, пришлись на процесс эксплуатации. И чем глубже я вникал в устройство, тем больше удивлялся несовершенству конструкции.Постепенно у меня накапливался опыт лечения типичных болезней. Я делился этим опытом с друзьями и знакомыми — им это нравилось. Теперь решил, что могу выйти к более широкой аудитории.К слову сказать, предпринял несколько попыток установить прямую связь с киевским мотоциклетным заводом в надежде заинтересовать конструкторов своими наблюдениями. Затея удалась ровно наполовину: связь установил, а насчет заин...
Читать далее >>Чехлы для Явы На некоторых мотоциклах Ява-634 (из первых партий поставки) довольно быстро выходят из строя чехлы цепи, а приобрести новые пока еще трудно. Вместо них для защиты цепи можно использовать чехлы от мотоцикла Восход. Переделка кожуха:1— рамка; 2— пластина; 3— распорная втулка; 4 — старая часть кожуха; 5 — удлинитель Чтобы закрепить их. надо изготовить два удлинителя 5 (см. рисунок) и две распорные втулки 3, посредством которых соединяем половины кожуха. Удлинители делаем, пользуясь оправкой. К ним привариваем (или припаиваем) рамки 1, которые предварительно при помощи тонкого зубила срубаем со старыхкожухов. Все соединения на кожухе желательно загерметизировать пайкой или другим способом. Для более надежного крепления кожухов следует изготовить новые хомутики или усилить старые, приварив к ним металлические пластинки.На моем мотоцикле после пробега 5000 километров чехлы имеют первоначальный вид.А. КОРНИЛОВ 606230, Горьковская обла...
Читать далее >>